-

美要求对华断供7nm以下制程,三星紧急自断其臂,关闭30%芯片产能
来源:电科技网 据外媒报道,美国商务部要求台积电暂停向中国大陆AI芯片企业供应7nm及以下先进制程芯...
MXC抹茶交易所 2024-11-12 111
-

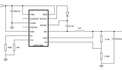
替代LTC3605A!国科安芯ASP3605A3U电源芯片介绍
ASP3605A3U是国科安芯自主研发的一款DCDC电压转换芯片,具有全国产化、抗软错误、超低功耗、...
MXC抹茶,抹茶APP下载 2024-04-19 134
